产品分类

联系我们

江苏森宇流体科技有限公司 

地址:江苏省启东市汇龙镇台角村(杨沙路27号)
电话:0513-83821332
传真:0513-83821332
邮编:226200 

http://www.jssylt.com 
E-mail:sy@jssylt.com


江苏森宇

 
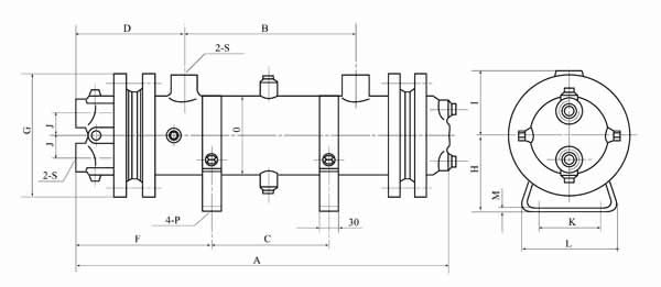
LQ系列列管式冷却器(1.0~1.6MPa)
旧 型 号
新 形 号
换热面积m2
L
T
A
重量(kg)
4LQF3W-A315F
4LQF3W-A1.3F
1.3
490
205
≤105
49
4LQF3W-A400F
4LQF3W-A1.7F
1.7
575
290
≤190
53
4LQF3W-A500F
4LQF3W-A2.1F
2.1
675
390
≤290
59
4LQF3W-A630F
4LQF3W-A2.6F
2.6
805
520
≤420
66
4LQF3W-A800F
4LQF3W-A3.4F
3.4
975
690
≤590
75
4LQF3W-A1000F
4LQF3W-A4.2F
4.2
1175
890
≤790
86
4LQF3W-A1250F
4LQF3W-A5.3F
5.3
1425
1140
≤1040
99
2LQGW型冷却器
2LQF4W型冷却器外形图及尺寸