产品分类

联系我们

江苏森宇流体科技有限公司 

地址:江苏省启东市汇龙镇台角村(杨沙路27号)
电话:0513-83821332
传真:0513-83821332
邮编:226200 

http://www.jssylt.com 
E-mail:sy@jssylt.com


江苏森宇

 
钢管用插入焊接式接头
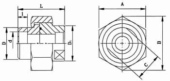
● 活接头
代号(订货号)
管子外径(D0)
d+0.4
+0.2
D
D1
L
I
A
B
C
“O”型密封圈
重量(kg)
对应号
ZY437.1.00
14
14.5
22
24
38
10
32
36.9
21
20×2.4
0.152
YF02.1
ZY437.2.00
18
185
27
30
38
10
41
47.3
26
30×3.1
0.262
TF02.2
ZY437.3.00
22
22.5
32
35
44
10
50
57.7
32
35×3.1
0.357
YF02.3
ZY437.4.00
28
28.5
38
42
50
13
60
69.3
38
40×3.1
0.686
YF02.4
ZY437.5.00
34
34.5
47
52
56
13
70
80.8
46
45×3.1
1.02
YF02.5
  标记示例:活接头8 ZY437.1.00
● 高压法兰
代号(订货号)
管子外径(D0)
d+0.4
+0.2
e
A
B
C
D
“O”型密封圈
GB1235-76
重量(kg)
对应号
ZY438.3.00
34
34.5
14
80
53
28
13
35×3.1
2.53
YF03.1
ZY438.4.00
42
42.5
16
90
63
28
13
45×3.1
3.02
YF03.2
ZY438.5.00
48
48.5
18
100
70
36
18
55×3.1
4.09
YF03.3
ZY438.6.00
60
61
20
112
80
36
18
65×3.1
5.72
YF03.4
  标记示例:高压法兰34 ZY438.3.00
● 终端法兰
代号(订货号)
管子外径(D0)
D
L1
L2
B
B1
“O”型密封圈
GB1235-76
d
重量(kg)
对应号
ZY624.1.00
34
34.5
80
53
28
14
35×3.1
14
2.89
YF04.1
ZY624.2.00
42
42.5
90
63
16
45×3.1
16
3.45
YF04.2
ZY624.3.00
48
48.5
100
70
36
18
55×3.1
18
5.78
YF04.3
ZY624.4.00
60
61
112
80
20
65×3.1
18
6.72
YF04.4
  标记示例:终端法兰34 ZY624.1.00