产品分类

联系我们

江苏森宇流体科技有限公司 

地址:江苏省启东市汇龙镇台角村(杨沙路27号)
电话:0513-83821332
传真:0513-83821332
邮编:226200 

http://www.jssylt.com 
E-mail:sy@jssylt.com


江苏森宇

 
SGLL型双联油冷却器(1.6MPa)

一、使用条件
  双联冷却器按GB151 标准和参照西德AD 及美国TEMA标准设计和制造,采用全钢和部分黄铜结构,油侧工作压力1.6MPa,工作温度150℃,水侧工作压力1.0MPa,工作温度100℃。产品具有节能、高效、安全可靠等优点;适用于汽轮发电机组、压缩机组、风机、泵组及石油化工行业上的油冷却系统,也可用于其它油冷却系统。

二、特点
  1、表列数据为二流程列管式双联油冷却器,若需要可选用四流程、六流程、裸管或翅片冷却管的冷却器。
  2、冷却器安装通常为卧式,如用户需要时可采用二种立式布置,一种进水室在下、另一种进水室在上,便于管束拆卸。
  3、油水接口法兰标准按JB/T81-94,根据用户要求配非标法兰时应满足配管要求。
  4、根据AP Ⅰ 614 标准,冷却器采用双联结构,由二只相同面积的冷却器和三通阀装置构成,一只工作,一只备用,每个冷却器能承受整个系统的冷却负荷,管板一头固定,一头浮动,可拆卸的管束和水室箱盖,便于运行过程中清洗、检查和维修。冷却器的材质,根据使用场所、水系统条件可有多种选择,水室、壳体、三通阀可选碳钢或全不锈钢,管板可用碳钢、不锈钢或黄铜板;管子材料可选普通黄铜管H68、砷黄铜管HSn70-1A,铝黄铜管HA177-2A,不锈钢管1Cr18Ni9Ti、B10、B30 等。
  5、三通阀采用钢制焊接结构连续流转换阀。这种阀门在内部结构发生故障或阀门转换期间不会造成油路的中断。外形如图示。

三、型号标注
四、结构形式
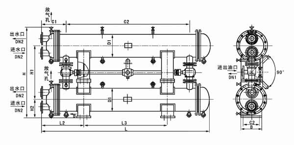
五、外形尺寸
1、卧式
型号
冷却面积m2
DN1
DN2
D1
L
L3
C
H2
e
L2
C1
C2
B
H
H1
SGLL4-12/1.6
12
65
65
325
1555
660
860
262
870
497
345
300
370
984
460
SGLL4-16/1.6
16
65
65
325
1960
1065
1365
262
870
497
345
300
370
98
460
SGLL4-20/1.6
20
80
65
325
2370
1475
1775
262
870
497
345
300
370
1004
480
SGLL4-24/1.6
24
80
65
325
2780
1885
2175
262
870
497
350
300
370
1004
480
SGLL4-28/1.6
28
80
65
325
3190
2295
2585
262
870
497
350
300
370
1004
480
SGLL4-35/1.6
35
100
100
426
2480
1232
1692
313
890
730
500
300
730
1181
555
SGLL5-40/1.6
40
100
100
426
2750
1502
1962
313
890
730
500
300
730
1181
555
SGLL5-45/1.6
45
125
100
426
3020
1772
2202
313
890
725
515
300
725
1181
585
SGLL5-50/1.6
50
125
100
426
3290
2042
2472
313
976
725
515
300
725
1181
585
SGLL5-60/1.6
60
125
100
426
3830
2582
3012
313
976
725
515
300
725
1181
585
SGLL6-80/1.6
80
200
200
616
3160
1555
2015
434
1100
935
700
750
935
1688
820
SGLL6-100/1.6
100
200
200
616
3760
2155
2615
434
1240
935
700
750
935
1688
820
SGLL6-120/1.6
120
200
200
616
4360
2755
3215
434
1240
935
700
750
935
1688
820
2、立式
型号
冷却面积m2
a
b
c
d
e
f
g
m
o
d3
D
DN1
DN2
SGLL4-12/1.6L
12
1555
960
870
320
520
475
340
120
80
8-Φ26
325
65
65
SGLL4-16/1.6L
16
1960
1365
870
320
520
475
340
120
80
8-Φ26
325
65
65
SGLL4-20/1.6L
20
2370
1775
870
320
565
475
340
120
80
8-Φ26
325
80
65
SGLL4-24/1.6L
24
2780
2175
870
340
565
475
360
120
80
8-Φ26
325
80
65
SGLL4-28/1.6L
28
3190
2585
870
340
565
475
360
120
80
8-Φ26
325
80
65
SGLL5-35/1.6L
35
2610
1692
976
470
666
585
400
120
80
8-Φ26
426
100
100
SGLL5-40/1.6L
40
2880
1962
976
470
726
585
400
120
80
8-Φ26
426
100
100
SGLL5-45/1.6L
45
3120
2202
973
470
726
585
420
120
80
8-Φ26
426
125
100
SGLL5-50/1.6L
50
3390
2472
1100
470
726
585
420
140
100
8-Φ26
426
125
100
SGLL5-60/1.6L
60
3930
3012
1240
470
990
585
420
140
100
8-Φ26
426
125
100
SGLL6-80/1.6L
80
3255
2015
1240
705
990
830
460
140
100
8-Φ30
616
200
200
SGLL6-100/1.6L
100
3855
2615
1346
705
1066
830
460
140
100
8-Φ30
616
200
200
SGLL6-120/1.6L
120
4455
3215
1346
705
1066
830
460
140
100
8-Φ30
616
200
200