产品分类

联系我们

江苏森宇流体科技有限公司 

地址:江苏省启东市汇龙镇台角村(杨沙路27号)
电话:0513-83821332
传真:0513-83821332
邮编:226200 

http://www.jssylt.com 
E-mail:sy@jssylt.com


江苏森宇

 
VS系列双线分配器(20MPa)

一、使用条件
VS系列双线分配器适用于公称压力为20MPa的双线式干油集中润滑系统中。它在两条供油主管交替的供油压力作用下,直接由供油的压力控制活塞动作给油,完成向润滑点定量分配润滑脂的功能。
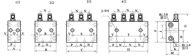
该系列双线分配器给油口都在底部,分配器活塞正反向动作均从同一给油口排出润滑脂,还可以从指示杆的动作直接观察分配器的工作情况,同时还可通过调整螺钉在规定范围内方便地调整各个给油口的给油量。

二、技术参数  
型 号
公称压力MPa
给油mL/循环
调整螺钉每转一圈调整量ml
重量kg
VS-30
20

≤1.2

0.2-1.2
0.07
VS-40
≤1.2
0.6-2.2
0.10
VS-50
≤1.0
0.6-5.0
0.14
VS-60
≤1.0
3.0-14.0
0.45
VS-62-1
≤1.0
6.0-28.0
适用介质为锥入度不低于265(25℃,150g)1/10mm润滑脂(NLGI0#~1#)或粘度等级大于N68的润滑油;使用环境温度为-10℃~80℃,使用介质为润滑油时,可在10MPa 压力下使用。
 
三、外形尺寸
型号
A
B
C
D
F
G
H
J
K
L
M
N
P
Q
R
S
T
V
X
Y
VS-30
48
80
112
144
65
106
40.5
43
26.5
10.5
38
32
40
24
56
88
120
12
Rc1/4
9
VS-40
48
80
112
144
75
124.5
47.5
52
26.5
10.5
38
32
40
27
59
91
123
10.5
VS-50
54
91
128
165
79
135.5
50.5
57
30
11.5
41.5
37
43.5
33
70
107
144
10.5
VS-60
61
108
/
/
89
153
56
57
45.5
19
57
47
52
40
87
/
/
10.5
 
四、使用说明
1、必须在规定的环境下使用规定的介质。
2、在灰尘大、潮湿、环境恶劣的场合下使用,应配防护罩。
3、给油量的调整应在指示杆缩回去的状态下进行,调整完毕后将锁紧螺丝拧紧。
4、与分配器接触的面应光滑平整,安装螺栓不宜拧得过紧,以免影响正常动作。
 
五、型号说明
 
六、订货须知
分配器使用环境温度在-10℃~+80℃以外的必须在订货合同中注明,以便供货时使用耐低、高温油封。